Bonjour,
L'objectif étant de ne changer la batterie périodiquement qui n'est pas forcément accessible facilement, mon choix est de mettre la sirène sur onduleur dans la baie informatique.
Profiter de la sirène extérieure pour y mettre une sonde de température DS18B20.
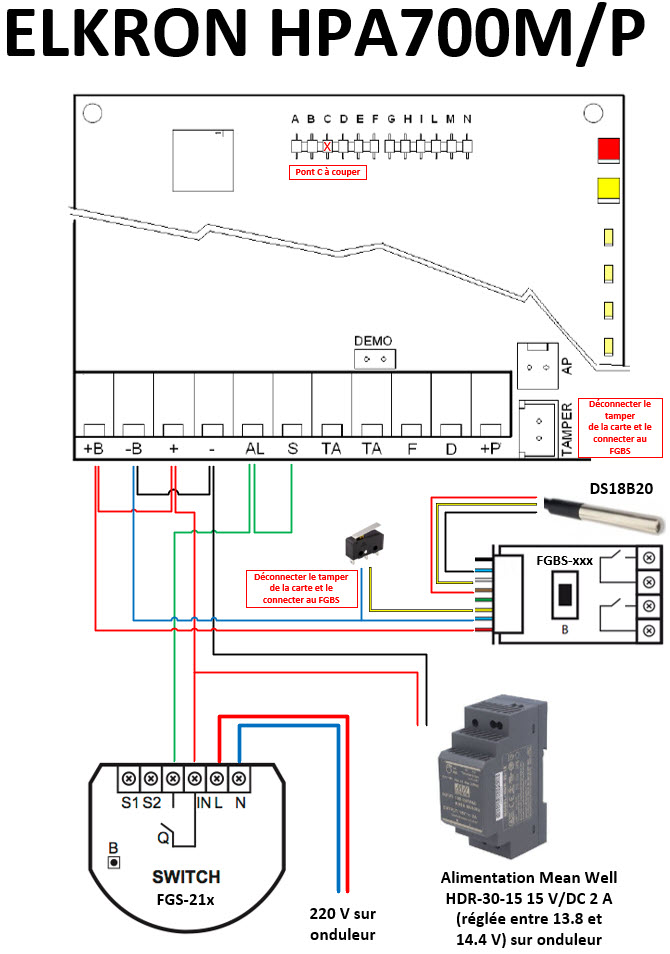
Voici le cablâge d'une sirène ELKRON HPA700M (métal) ou P (plastique) :

- ELKRON HP700M / HPA700P
- ELKRON HPA700M-P.jpg (117.72 Kio) Consulté 7228 fois
Il faut inverser l'état du FGS, faire 2 règles sur l'arrachement avec désactivation de celles-ci si intervention technique sur la sirène.
Olivier
https://www.madomotic.frConcepteur - Intégrateur - Installateur
MaDomotic est partenaire de Connected Object.
Membre de la Fédération Francaise de Domotique.