par Chris59 » 27 Juin 2023 17:56
Bonjour à tous,
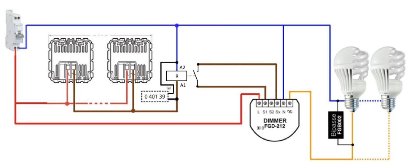
J'ai enfin reçu le matériel et réalisé le montage suivant :

- FGD212 avec relais resistance et detecteur.jpg (64.45 Kio) Consulté 11494 fois
ça donne ceci :

- montage.jpg (153.46 Kio) Consulté 11493 fois
Le fibaro fonctionne parfaitement (il s'est inclus dans la Eedomus du premier coup), je peux allumer, éteindre et faire varier la lumière, en envoyant des ordres avec mon pc ou mon téléphone.
J'ai un problème : le courant passant au travers des détecteurs (même lorsqu'ils ne sont pas sollicités et sont au repos) suffit à activer le relais (on voit une petite lumière rouge sur le relais en bas à droite)
Si je débranche, le fil allant des détecteurs vers l'alimentation du relais, celui-ci se coupe et il envoi l'ordre au fibaro d'éteindre la lumière. Le relais agit comme un interrupteur impulsionnel.
Je pense qu'il faudrait que le courant passant au travers du relais soit plus faible, pour que le relais ne soit pas activé, lorsque les détecteurs sont au repos.
Je sèche ...
Dernière édition par
Chris59 le 19 Juil 2023 08:47, édité 1 fois.
Domotisation avec Eedomus +, Fibaro et Qubino : 11 volets roulants filaires, 1 porte de garage, 2 variateurs de lumière, 5 capteurs de température, 1 VMC, 1 alarme, une pompe à chaleur, une pompe à eau